软管综合厂家 特扶利株式会社

English
Japanese

CF 法兰式(CFB)
>
产品介绍
>
主页

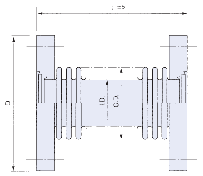
CF 法兰式(CFB)

  • 材质:SUS316(标准)

接头: 端管

 

产品图纸下载
产品目录下载
|
网站地图
|
隐私条款
|

返回顶部